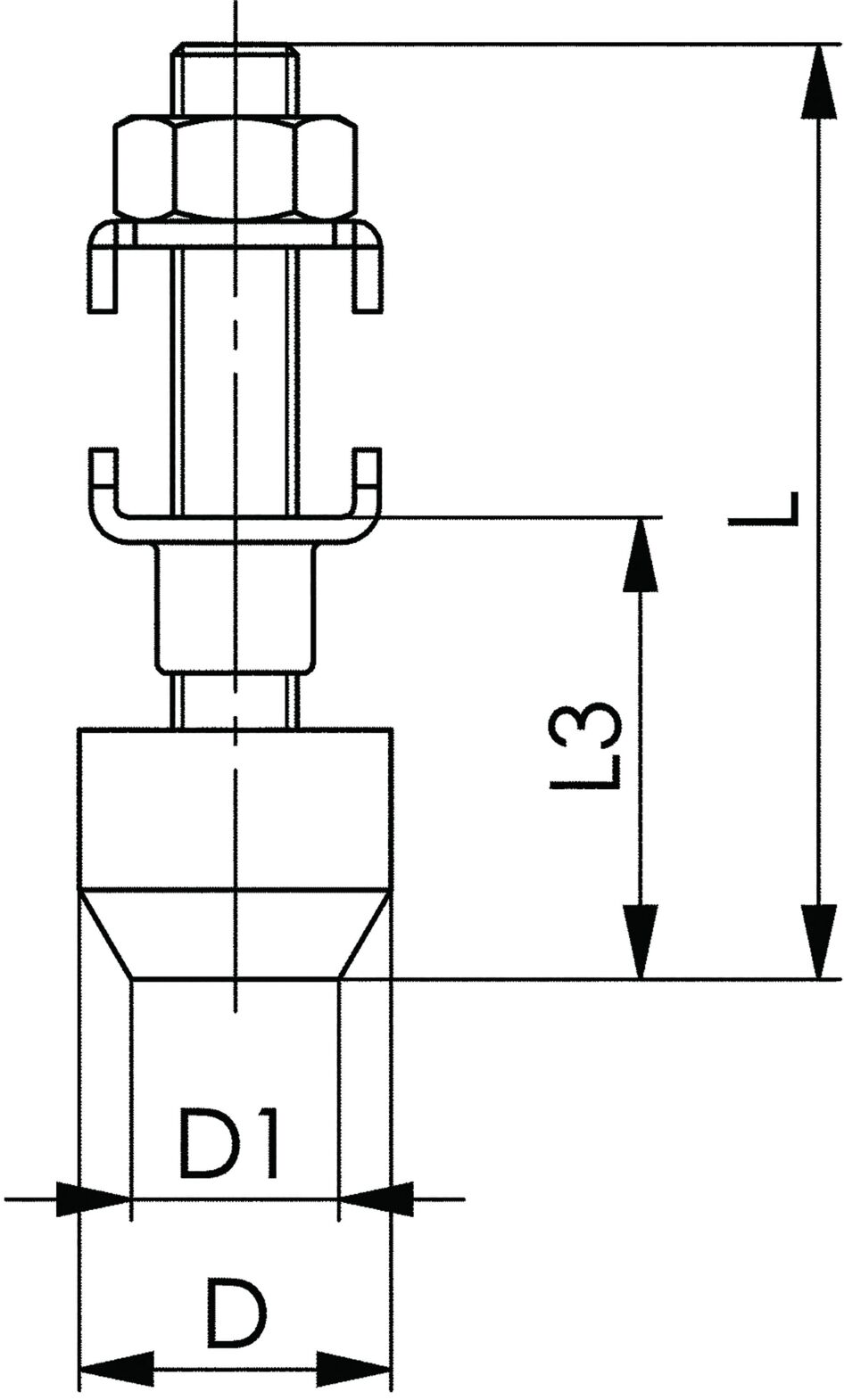
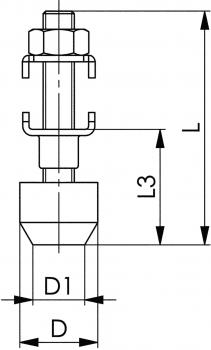
ESD Clamping screw type 6890, size 0
Product Family
ESD Clamping screw
Article image
Article description
ESD
clamping screw
Conductivity
Weight
Price
Compare
Product overview
Workwear | Professional Footwear 2024
DPV main catalog 2023 | 2024